Советская телекамера Электроника Н-802: обзор и ремонт
Электроника Н-802 — советская телевизионная видеокамера, выпускавшаяся в конце 70-ых годов прошлого века и предназначавшаяся для записи черно-белых изображений на видеомагнитофоны серии Электроника-Видео. Это уже вторая камера у меня, первой была Электроника 841-Видео.
Эта видеокамера схемотехнически является аналогом Электроники Н-801, которую выпускал тот же завод параллельно с этой. В отличии от 801-ой камеры тут изменили компоновку плат, логически разделив их на блоки с различным функционалом, изменили и корпус, который стал немного компактнее и, возможно, легче. Видоискатель вынесли в отдельный блок.
В Электронике Н-801 была кнопка начала записи, смонтированная на ручке. Такая же кнопка ставилась на все остальные камеры, она выполняет роль паузы в видеомагнитофоне, нажатие на неё приостанавливает запись или продолжает дальше. Но в Н-802 по каким-то причинам отказались от этого функционала и просто заклеили кнопку, не переделывая ручку. Причины до сих пор не ясны.
Объектив применен Вега 7Э с фокусным расстоянием в 20мм. Из-за такого маленького фокусного расстояния камера снимает достаточно близко, а не за 3 метра, как видеокамеры на больших объективах на стандартной резьбе М42. Крепление для объектива типа C-mount, под которое существовал только этот конкретный объектив. Но наверняка сюда можно установить аналогичный зарубежный объектив.
Камера оснащена микрофоном МКЭ-3, внутри камеры он демпфирован резинкой и имеет ветрозащиту в виде поролона, который за давностью лет разложился. Держатель микрофона спереди камеры почему-то зазеленел, как обычно бывает, когда говорят прямо в него. Очень странно.
Видоискатель в видеокамере оптический — также, как и в большинстве советских видеокамер. С электронным видоискателем были только Электроники 841 и 822, наличие электронного видоискателя добавляет массу удобств при поиске ракурса, установке экспозиции и фокуса. В камерах с оптическим видоискателем приходиться надеяться только на свой опыт и деления шкалы на объективе. Также в таких камерах сложнее поймать нужный ракурс, так как видоискатель смещен по вертикали на достаточно большое расстояние относительно объектива.
Видоискатель скорее всего "стандартный", то есть взятый с какой-либо кинокамеры. Об этом можно догадаться по широкоформатности объектива в видоискателе. Он заключен в алюминиевый корпус с органическим стеклом спереди. Предположительно, со стороны глаза наблюдателя должен быть резиновый наглазник, но он, видимо утерян.
Первым делом я подключил камеру к видеомагнитофону и попытался получить с неё картинку. При включении камеры, видеозахват нашел видеосигнал и засинхронизировался на нем. Но как ни странно, камера так и не показала картинку после прогрева. На осциллографе же был идеальный видеосигнал со всеми синхроимпульсами, но без видеоинформации. Отвал или мертвая трубка. Вскрытие покажет.
Внешне передающая трубка была цела — геттер не побелел. Я пошевелил экранированный кабель, идущий с видикона, и он отвалился. Я пропаял его и заодно заменил несколько электролитических конденсаторов в плате усилителя видеосигнала. При следующей попытке запуска, камера прогрелась, появилась картинка...
Первичная неисправность видна с первого взгляда - картинка не развертывается на полный кадр. Дело в том, что синхрогенератор в этой камере цифровой и работает независимо от выходного каскада блока разверток и видеосигнала, поэтому, даже если изображение "сканируется" в видиконе неверно, то картинка никуда не уплывет и дефект изображения будет явно видно. Что мы и наблюдаем.
Первая мысль была о том, чтобы посмотреть сигнал на кадровой отклоняющей катушке. Для этого нужно вскрыть камеру с другого бока.
Слева - блок питания видеокамеры, он генерирует напряжения, необходимые для видикона (+600, +300, +100 и другие), а также напряжения питания логических микросхем и силовых элементов. Он является импульсным: автогенератор управляет транзисторами, которые раскачивают трансформатор, который повышает напряжение с видеомагнитофона 12В до высоких, необходимых для трубки.
На плате блока питания также расположены регуляторы напряжений модулятора и фокуса трубки. Этими двумя напряжениями нужно задать верный режим трубке, чтобы изображение было в фокусе и обеспечивало все градации оттенков серого по телевизионной испытательной таблице.
Радует, что в камере применены довольно дорогие и качественные компоненты (только не К50-6). К примеру, тут нет конденсаторов типа "Флажок", а на их месте везде стоит пленка в виде К73-17. Микросхемы применены позолоченные планарной серии. Плюсом является отсутствие транзисторов КТ358, которые склонны деградировать, вместо них применены легкодоступные КТ315 и КТ361.
Блок синхрогенератора. В этой камере, в отличии от Электроники 841, генератор свой, а видак подстраивается под видеосигнал камеры. В 841-ой наоборот: на камеру приходят сигналы кадровой и строчной синхронизации. Блок синхрогенератора в камере достаточно сложный, он генерирует все необходимые импульсы ТВ сигнала, но в общем виде он просто делит частоту, генерируемую кварцем, до частот строчной и кадровой соответственно. Наличие кварца и цифровой схемы делает изображение очень стабильным и линейным. Собственно, тут и нет такой регулировки. Кстати, о регулировках...
Кроме выше описанных фокуса и модулятора, здесь толком то ничего и нет. Это вам не 841-ая телекамера, напрочь усеянная подстроечниками. В этой камере сами подстройки есть, но они реализованы подбором резисторов в определенных местах. То есть, сходу подкорректировать параметры изображения нельзя в принципе. Впрочем, зная качество наших подстроечных резисторов... Нет подстроечников - нечему гнить.
Вернемся к ремонту. Я посмотрел сигнал на кадровой катушке и он полностью соответствует осциллограмме, представленной в схеме. Я пошел по другому пути, я задумался о импульсе гашения луча... И моя догадка оказалась верной: луч гасился раньше, чем дойдет до конца кадра. Я посмотрел схему и нашел там два электролита, которые являются чем-то вроде проходных для сигнала гашения луча. Выпаял их, и по замеру емкости оказалось, что их сопротивление ушло вверх аж в два раза. Значит ЭПС конденсатора тоже уплыл. После замены на современные, картинка стала развертываться как надо.
Видно, что картинка темновата... Но картинка не была такой постоянно, если закрыть рукой объектив и резко вернуть обратно, то картинка на мгновение будет достаточно яркой... Но потом она медленно темнеет обратно. Все подозрения пали на блок АРУ. К этому моменту я заменил там все К50-6... проблема была в отвале чего-то, из-за чего сигнал не приходил на блок АРУ в адекватном виде и соответственно напряжение на мишени видикона вырастало до максимальных +100 вольт... Что и приводило к темной картинке.
Выявилась другая неисправность... Яркость вернулась в норму, а шлейфы остались. Сразу скажу, что проблема была в конденсаторах по питанию в блоке усилителя видеосигнала с видикона. Все конденсаторы, что я менял в этой видеокамере, все протухли, у всех одинаково улетела емкость в два раза, у всех уплыл ЭПС. После отстрела всех проблемных К50-6ых, камера стала выдавать адекватную картинку и после настройки стала показывать около 250-280 линий по испытательной таблице.

Ремонтопригодность у Электроники Н-802 намного выше, чем у 841-ой видеокамеры. Если у последней платы не имеют почти никакой свободы и замена элементов в ней - целое приключение, не говоря уже о настройке, то в Н-802 платы логически разделены на функциональные блоки. Каждая плата легко отключается или просто отгибается вместе с проводами, которые выходят с определенных краев. Я не заменил ничего, кроме электролитических конденсаторов. Больше в камере ничего не требует замены и это отлично характеризует надежность всего устройства в целом.
Из плюсов камеры стоит отметить небольшие габариты и высокую стабильность встроенного синхрогенератора, который обеспечивает отличную развертку изображения с превосходной линейностью. Подстройки даже не потребовалось, в отличии от Электроники 841. Из минусов - отсутствие электронного видоискателя, хотя он отсутствует по причине удешевления и без него лишь нужно больше опыта в настройке диафрагмы и фокуса.
В целом, на камеру легко брать близкие планы, в том числе удобно вести макро-съемку. В будущем я сделаю съемку на 802-ую камеру в полевых условиях, камера покажет себя "в бою". По крайней мере её намного легче носить. Камера отличная, редкая и однозначно должна быть в коллекции у видачера-коллекционера или хотя бы её полный аналог "Электроника Н-801".

Материалы
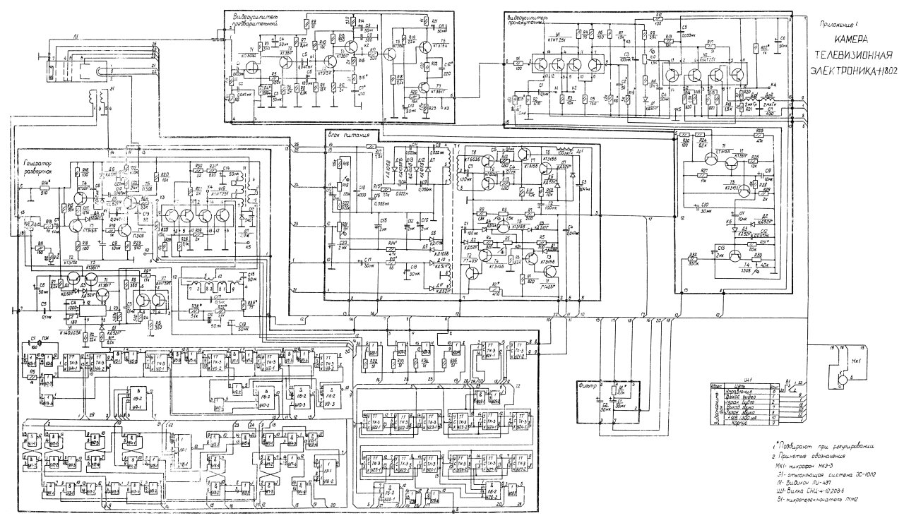
Схемы представлены в высоком разрешении 600 DPI, чтобы скачать нужно нажать на изображения ниже. Схема на телевизионную камеру Электроника Н-802:
(13,2Mb) Руководство к эксплуатации
(10,3Mb) Схема электрическая принципиальная